
产品用途
球阀在石油、天然气、煤炭和矿石的开采、提炼加工和管道输送系统中;在化工产品、医药和食品生产种;在水电、火电和核电的电力生产系统中;在城市和工业企业的给排水、供热、和供气系统中;在农田的排灌系统中;在治金生产系统中得以广泛的应用,是一种与生产建设、国防建设和人民生活息息相关的重要机械产品。球阀密闭在各类管路系统种用于截断或接通介质流,使介质按照预定的程序输送到各个指定点。
| 型号 | 公称压力 | 试验压力[MPa] | 工作压力 | 工作温度 | 使用介质 | |
| 壳体 | 密封 | |||||
| Q41N60 | 16.0 | 24.0 | 17.6 | 16.0 | -40~50 | 水、油品、氮、氢、氨 |
| Q41N-320 | 32.0 | 48.0 | 35.2 | 32.0 | ||
| 零件名称 | 阀体 | 阀座、阀杆、球体 | 密封圈 | 法兰 | 双头螺栓 | O型圈 |
| 材料 | 45 | 2Cr13 | 尼龙1010 | 35 | 35CrMo | 丁腈橡胶 |
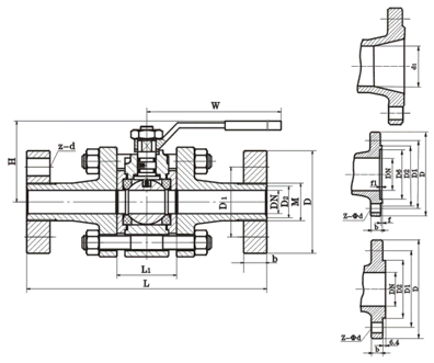
| 公称压力 | 公称通径 | L | L1 | D | D1 | M | D2 | Z-фd | b | H | L0 |
| 16.0 | 10 | 210 | 52 | 95 | 60 | M24×2 | 18 | 3-ф18 | 20 | 77 | 220 |
| 15 | 230 | 62 | 95 | 60 | M24×2 | 20 | 3-ф18 | 20 | 85 | 220 | |
| 20 | 240 | 73 | 105 | 68 | M33×2 | 28 | 3-ф18 | 20 | 94 | 250 | |
| 25 | 260 | 77 | 105 | 68 | M33×2 | 28 | 3-ф18 | 22 | 100 | 250 | |
| 32 | 300 | 100 | 115 | 80 | M42×2 | 38 | 4-ф18 | 24 | 120 | 300 | |
| 40 | 350 | 110 | 165 | 115 | M52×3 | 48 | 6-ф26 | 30 | 150 | 400 | |
| 50 | 400 | 130 | 165 | 115 | M64×3 | 58 | 6-ф26 | 32 | 165 | 400 | |
| 65 | 490 | 140 | 200 | 145 | M80×4 | 74 | 6-ф29 | 40 | 180 | 500 | |
| 80 | 580 | 150 | 225 | 170 | M100×3 | 94 | 6-ф33 | 50 | 200 | 600 | |
| 100 | 620 | 178 | 260 | 195 | M125×4 | 115 | 6-ф36 | 60 | 245 | 800 | |
| 公称压力 | 公称通径 | L | L1 | D | D1 | M | D2 | Z-фd | b | H | L0 |
| 32.0 | 10 | 210 | 52 | 95 | 60 | M24×2 | 18 | 3-ф18 | 20 | 77 | 220 |
| 15 | 230 | 62 | 105 | 68 | M33×2 | 28 | 3-ф18 | 20 | 85 | 220 | |
| 20 | 240 | 73 | 105 | 68 | M33×2 | 28 | 3-ф18 | 20 | 94 | 250 | |
| 25 | 260 | 77 | 115 | 80 | M42×2 | 35 | 4-ф18 | 25 | 100 | 250 | |
| 32 | 300 | 100 | 135 | 95 | M48×2 | 41 | 4-ф22 | 30 | 120 | 300 | |
| 40 | 350 | 110 | 165 | 115 | M64×3 | 47 | 6-ф26 | 35 | 150 | 400 | |
| 50 | 400 | 130 | 200 | 145 | M80×3 | 70 | 6-ф29 | 40 | 165 | 450 | |
| 65 | 490 | 140 | 225 | 170 | M100×3 | 90 | 6-ф33 | 50 | 180 | 500 | |
| 80 | 580 | 150 | 260 | 195 | M125×4 | 112 | 6-ф36 | 55 | 200 | 600 | |
| 100 | 620 | 178 | 300 | 235 | M155×4 | 135 | 8-ф36 | 65 | 245 | 800 |
