
主要用途
本阀采用双作用气缸,利用上腔进气或者下腔进气来远距离控制阀门,操作方便、灵活。气缸使用介质:压缩空气,氮气。结构简单、制造和维护方便;工作行程小,启闭时间短;关闭体(阀瓣)与阀座密封面采用锥面密封,关闭力小,耐冲刷,密封可靠。阀座可为更换式阀座,可任意组合与关闭件密封面材料的配对,以满足工况要求,延长使用寿命
结构特点
1、选材考究,符合国内、外相关标准,结构合理,造型美观。
2、阀瓣、阀座密封面采用铁基合金堆焊或司太立(Stellite)钴基硬质合金堆焊而成,耐磨、耐高温、耐腐蚀、抗擦伤性能好,使用寿命长。
4、阀杆经调质及表面氮化处理,有良好的抗腐蚀性和抗擦伤性。
5、可采用各种配管法兰标准及法兰密封面型式,满足各种工程需要及用户要求。
6、阀体材料品种齐全,填料、垫片可根据实际工况或用户要求合理选配,能适用于各种压力、温度及介质工况。
7、倒密封采用螺纹连接密封座或本体堆焊奥氏体不锈钢而成,密封可靠,更换填料可在不停机情况下进行,方便快捷,不影响系统运行。
|
设计与制造 |
GB/T12235 |
|
|
连接端尺寸
|
结构长度 |
GB/T12221 |
|
法兰尺寸 |
JB/T79 |
|
|
检验与试验 |
JB/T9092 |
|
|
材 料 |
碳钢 |
GB/T12229 |
|
不锈钢
|
GB/T12230
|
|
|
合金钢 |
Q/ZB66 |
|
|
标 志 |
GB/T12220 |
|
|
供 货 |
JB/T7928 |
|
|
阀体 |
阀盖 |
阀瓣 |
密封圈 |
阀杆 |
填料 |
适用介质 |
适用温度 |
|
WCB |
WCB+D507MO |
D577 |
2Crl3 |
柔性石墨 |
水、油品、蒸汽 |
425 |
|
|
ZGlCrl8Ni9Ti |
0Crl8Ni9Ti |
Stellite6 |
lCrl8Ni9Ti |
PTFE |
硝酸类 |
200 |
|
|
ZGlCrl8Ni2Mo2Ti |
CF8M |
lCrl8Ni2Mo2Ti |
lCrl8Ni2Mo2Ti |
PTFE |
磷酸类、 |
200 |
|
|
ZG00Crl7Nil4M02
|
CF3M
Stellite12 |
Stel1ite6
|
316L
|
PTFE
|
磷酸类、
尿素、甲铵液 |
200
|
|
|
ZGlCr5MO
|
ZGlCr5MO |
Stel1ite6 |
25Cr2Mo1VA |
柔性石墨 |
水、油品、蒸汽 |
550 |
|
|
公称压力 |
公称通径
DN(mm) |
标准值 |
参考值 |
|||||||||
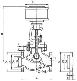
|
L |
D |
D1 |
n2 |
D6 |
b |
f |
f1 |
Z-φd |
L1 |
H |
||
|
1.6
|
50 |
230 |
160 |
125 |
100 |
|
16 |
3
|
|
4-φ18 |
185 |
645 |
|
65 |
290 |
180 |
145 |
120 |
|
18 |
3
|
|
4-φ18 |
232 |
690 |
|
|
80 |
310 |
195 |
160 |
135 |
|
20 |
3
|
|
8-φ18 |
232 |
715 |
|
|
100 |
350 |
215 |
180 |
155 |
|
20 |
3
|
|
8-φ18 |
232 |
770 |
|
|
125 |
400 |
254 |
210 |
185 |
|
22 |
3
|
|
8-φ18 |
283 |
780 |
|
|
150 |
480 |
280 |
240 |
210 |
|
24 |
3
|
|
8-φ23 |
283 |
810 |
|
|
200 |
600 |
335 |
295 |
265 |
|
26 |
3
|
|
12-φ23 |
283 |
967 |
|
|
250 |
622 |
405 |
355 |
320 |
|
30 |
3
|
|
12-φ25 |
283 |
1143 |
|
|
300 |
698 |
460 |
410 |
375 |
|
30 |
4
|
|
12-φ25 |
283 |
1292 |
|
|
2.5
|
50 |
230 |
160 |
125 |
100 |
|
20 |
3 |
|
4-φ18 |
185 |
645
|
|
65 |
290 |
180 |
145 |
120 |
|
22 |
3 |
|
8-φ18 |
232 |
690
|
|
|
80 |
310 |
195 |
160 |
135 |
|
22 |
3 |
|
8-φ18 |
232 |
715
|
|
|
100 |
350 |
230 |
190 |
160 |
|
24 |
3 |
|
8-φ23 |
232 |
770
|
|
|
125 |
400 |
270 |
220 |
188 |
|
28 |
3 |
|
8-φ25 |
283 |
780
|
|
|
150 |
480 |
300 |
250 |
218 |
|
30 |
3 |
|
8-φ25 |
283 |
810
|
|
|
200 |
600 |
360 |
310 |
278 |
|
34 |
3 |
|
12-φ25 |
283 |
967
|
|
|
250 |
622 |
425 |
370 |
332 |
|
36 |
3 |
|
12-φ30 |
283 |
1143
|
|
|
300 |
698 |
485 |
430 |
390 |
|
40 |
4 |
|
16-φ30 |
283 |
1292
|
|
|
4.0 |
50 |
230 |
160 |
125 |
100 |
88 |
20 |
3 |
4 |
4-φ18 |
185 |
645
|
|
65 |
290 |
180 |
145 |
120 |
110 |
22 |
3 |
4 |
8-φ18 |
232 |
690
|
|
|
80 |
310 |
195 |
160 |
135 |
121 |
22 |
3 |
4 |
8-φ18 |
232 |
715
|
|
|
100 |
350 |
230 |
190 |
160 |
150 |
24 |
3 |
4.5 |
8-φ23 |
232 |
770
|
|
|
125 |
400 |
270 |
220 |
188 |
176 |
28 |
3 |
4.5 |
8-φ25 |
283 |
782
|
|
|
150 |
480 |
300 |
250 |
218 |
204 |
30 |
3 |
4.5 |
8-φ25 |
283 |
875
|
|
|
200 |
600 |
375 |
320 |
282 |
260 |
38 |
3 |
4.5 |
12-φ30 |
283 |
1160
|
|
