
1、本阀采用三偏心密封结构,阀座与蝶板几乎无磨损,具有越观越紧的密封功能。
2、密封圈选用不锈钢制作,具有金属硬密封和弹性密封的双重优点,无论在低温和高温的情况下,均具有优良的密封性能,具有耐腐蚀,使用寿命长等特点。
3、碟板密封面采用堆焊钴基硬质合金,密封面耐磨损,使用寿命长.
4、大规格蝶板采用绗架结构,强度高,过流面积大,流阻小。
5、本阀具有双向密封功能,安装时不受介质流向的限制,也不受空间位置的影响,可在任何方向安装。
6、驱动装置可以多工位(旋转90°或180°)安装,便于用户使用。
|
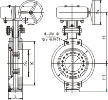
公称通经DN(mm)
|
50~2000
|
|||
|
公称药理PN(MPa)
|
0.6
|
1.0
|
1.6
|
2.5
|
|
密封试验(MPa)
|
0.66
|
1.1
|
1.76
|
2.75
|
|
强度试验(MPa)
|
0.9
|
1.5
|
2.4
|
3.75
|
|
适用温度
|
碳钢:-29℃~425℃ 不锈钢:-40℃~650℃
|
|||
|
适用介质
|
水、空气、天然气、油品及弱腐蚀性流体
|
|||
|
泄漏率
|
符合GB/T13927-92标准
|
|||
|
驱动方式
|
蜗轮传动、电动、气动、液动
|
|||
|
零件名称
|
材料
|
|
阀体
|
WCB、合金钢、不锈钢、QT4500
|
|
蝶板
|
WCB、合金钢、不锈钢、QT4500
|
|
阀轴
|
2Cr13不锈钢、合金钢
|
|
密封圈
|
不锈钢圈
|
|
填料
|
柔性石墨
|
|
制造标准
|
JB/T 8527-97
|
|
法兰标准
|
GB9113-2000
|
|
结构长度标准
|
GB12221-89
|
|
检验标准
|
GB/T 13927-92
|
|
公称通经(DN) |
主要尺寸
|
法兰尺寸和螺栓规格
|
|||||||
|
1.0MPa
|
1.6MPa
|
2.5MPa
|
|||||||
|
L
|
H
|
H1
|
D1
|
4-Ф-M
|
D1
|
4-Ф-M
|
D1
|
4-Ф-M
|
|
|
50
|
43
|
350
|
112
|
125
|
Ф18
|
125
|
Ф18
|
125
|
Ф18
|
|
65
|
46
|
370
|
115
|
145
|
Ф18
|
145
|
Ф18
|
145
|
Ф18
|
|
80
|
49
|
380
|
120
|
160
|
Ф18
|
160
|
Ф18
|
160
|
Ф18
|
|
100
|
56
|
420
|
138
|
180
|
Ф18
|
180
|
Ф18
|
190
|
Ф23
|
|
125
|
64
|
460
|
164
|
210
|
Ф18
|
210
|
Ф18
|
220
|
Ф27
|
|
150
|
70
|
555
|
175
|
240
|
Ф23
|
240
|
Ф23
|
250
|
Ф27
|
|
200
|
71
|
605
|
208
|
295
|
M20
|
295
|
M20
|
310
|
M24
|
|
250
|
76
|
680
|
243
|
350
|
M20
|
355
|
M24
|
370
|
M27
|
|
300
|
83
|
800
|
283
|
400
|
M20
|
410
|
M24
|
430
|
M27
|
|
350
|
92
|
835
|
310
|
460
|
M20
|
470
|
M24
|
490
|
M30
|
|
400
|
102
|
915
|
340
|
515
|
M24
|
525
|
M27
|
550
|
M33
|
|
450
|
114
|
960
|
380
|
565
|
M24
|
585
|
M27
|
600
|
M33
|
|
500
|
127
|
1020
|
410
|
620
|
M24
|
650
|
M30
|
660
|
M33
|
|
600
|
154
|
1225
|
470
|
725
|
M27
|
770
|
M33
|
770
|
M36
|
|
700
|
165
|
1355
|
550
|
840
|
M27
|
840
|
M33
|
875
|
M39
|
|
800
|
190
|
1470
|
640
|
950
|
M30
|
950
|
M36
|
990
|
M45
|
|
900
|
203
|
1545
|
710
|
1050
|
M30
|
1050
|
M36
|
1090
|
M45
|
|
1000
|
216
|
1795
|
770
|
1160
|
M33
|
1170
|
M39
|
1210
|
M52
|
|
1200
|
254
|
1965
|
890
|
1380
|
M36
|
1390
|
M45
|
1420
|
M52
|
