
1、本阀采用三偏心密封结构,阀座与蝶板几乎无磨损,具有越观越紧的密封功能。
2、密封圈选用不锈钢制作,具有金属硬密封和弹性密封的双重优点,无论在低温和高温的情况下,均具有优良的密封性能,具有耐腐蚀,使用寿命长等特点。
3、碟板密封面采用堆焊钴基硬质合金,密封面耐磨损,使用寿命长.
4、大规格蝶板采用绗架结构,强度高,过流面积大,流阻小。
5、本阀具有双向密封功能,安装时不受介质流向的限制,也不受空间位置的影响,可在任何方向安装。
6、驱动装置可以多工位(旋转90°或180°)安装,便于用户使用。
|
公称通经DN(mm)
|
50~2000
|
|||
|
公称药理PN(MPa)
|
0.6
|
1.0
|
1.6
|
2.5
|
|
密封试验(MPa)
|
0.66
|
1.1
|
1.76
|
2.75
|
|
强度试验(MPa)
|
0.9
|
1.5
|
2.4
|
3.75
|
|
适用温度
|
碳钢:-29℃~425℃ 不锈钢:-40℃~650℃
|
|||
|
适用介质
|
水、空气、天然气、油品及弱腐蚀性流体
|
|||
|
泄漏率
|
符合GB/T13927-92标准
|
|||
|
驱动方式
|
蜗轮传动、电动、气动、液动
|
|||
|
零件名称
|
材料
|
|
阀体
|
WCB、合金钢、不锈钢、QT4500
|
|
蝶板
|
WCB、合金钢、不锈钢、QT4500
|
|
阀轴
|
2Cr13不锈钢、合金钢
|
|
密封圈
|
不锈钢圈
|
|
填料
|
柔性石墨
|
|
制造标准
|
JB/T 8527-97
|
|
法兰标准
|
GB9113-2000
|
|
结构长度标准
|
GB12221-89
|
|
检验标准
|
GB/T 13927-92
|
|
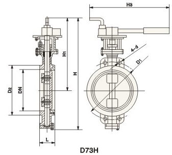
公称通经(DN) |
主要尺寸
|
法兰尺寸和螺栓规格
|
|||||||||||
|
1.0MPa
|
1.6MPa
|
2.5MPa
|
|||||||||||
|
L
|
L2
|
H
|
H1
|
D1
|
Z-D
|
A
|
D1
|
Z-D
|
A
|
D1
|
Z-D
|
A
|
|
|
50
|
43
|
265
|
350
|
112
|
125
|
48
|
90℃
|
125
|
48
|
90℃
|
125
|
48
|
90℃
|
|
65
|
46
|
265
|
370
|
115
|
145
|
48
|
90℃
|
145
|
48
|
90℃
|
145
|
48
|
90℃
|
|
80
|
49
|
320
|
380
|
120
|
160
|
88
|
45℃
|
160
|
88
|
45℃
|
160
|
88
|
45℃
|
|
100
|
56
|
320
|
420
|
138
|
180
|
88
|
45℃
|
180
|
88
|
45℃
|
190
|
8-22
|
45℃
|
|
125
|
64
|
340
|
460
|
164
|
210
|
88
|
45℃
|
210
|
88
|
45℃
|
220
|
8-26
|
45℃
|
|
150
|
70
|
390
|
555
|
175
|
240
|
8-22
|
45℃
|
240
|
8-22
|
45℃
|
250
|
8-26
|
45℃
|
