
产品概述
本系列阀门正常处于关闭状态,由于管线中进口端介质的压力作用,而克服弹簧阻力使阀门开启。当进口端介质压力低于出口端时,弹簧将阀芯推向阀座而使阀门关闭,阻止介质逆流,故起止回作用。
本阀门由于采用弹簧支撑阀芯,故采用立式安装或卧式装均可。
| 型号 |
公称压力 PN(MPa) |
试验压力SP(MPa) |
适用温度 (℃) |
适用介质 | |
| 壳体 | 密封 | ||||
| H42W-25P | 2.5 | 3.8 | 2.8 | ≤200 | 硝酸类 |
| H42W-25R | 醋酸类 | ||||
| H42W-40P | 4.0 | 6.0 | 4.4 | 水、油品 | |
| H42W-40R | |||||
| H42Y-40 | |||||
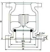
| 型号 |
公称通径 DN(mm) |
尺寸(mm) | ||||||||
| L | D | D1 | D2 | b | f | Z-Φ | ||||
| 1 | 2 | 3 | ||||||||
| H42W-25P H42W-25R | 15 | - | 85 | 85 | 95 | 65 | 45 | 16 | - | 4-Φ14 |
| 20 | - | 95 | 95 | 105 | 75 | 55 | 16 | - | 4-Φ14 | |
| 25 | - | 100 | 105 | 115 | 85 | 65 | 16 | - | 4-Φ14 | |
| 32 | - | 105 | 150 | 135 | 100 | 78 | 16 | - | 4-Φ14 | |
| 40 | - | 115 | 160 | 145 | 110 | 88 | 18 | - | 4-Φ14 | |
| 50 | 140 | 125 | 170 | 160 | 125 | 100 | 20 | 3 | 4-Φ14 | |
| 65 | 160 | 145 | 180 | 180 | 145 | 120 | 22 | 3 | 8-Φ18 | |
| 80 | 185 | 155 | 200 | 195 | 160 | 135 | 22 | 3 | 8-Φ18 | |
| 100 | 210 | 210 | 210 | 230 | 190 | 160 | 24 | 3 | 8-Φ23 | |
| 125 | - | 275 | 275 | 275 | 220 | 188 | 28 | 3 | 8-Φ25 | |
| 150 | 300 | 225 | 300 | 300 | 250 | 218 | 30 | 3 | 8-Φ25 | |
| 200 | 380 | 380 | 380 | 360 | 310 | 278 | 34 | 3 | 12-Φ25 | |
