H41H(W)铸钢升降式止回阀

H41H(W)铸钢升降式止回阀


产品用途

适用介质:水、蒸汽、油品等

产品结构特点

结构特征:B.B;升降止回或B.B,旋启止回或B.B带弹簧升降止回
主体材料:A105,F5,F11,F22,304,304L,316,316L,LF2等

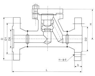
产品结构
H41H(W)铸钢升降式止回阀尺寸图
上一篇:没有了
下一篇:旋启式止回阀

相关产品推荐

关注官方微信

Copyright © 广东佰隆机电有限公司 版权所有 Power by DedeCms