
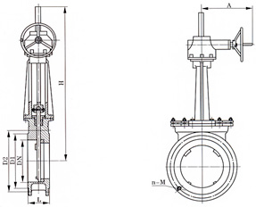
|
MPa
|
DN
|
L1
|
D1
|
D2
|
H
|
n-M
|
MPa
|
DN
|
L1
|
D1
|
D2
|
H
|
n-M
|
|
0.6
|
50
|
43
|
90
|
110
|
475
|
4-M12
|
1.0
|
50
|
43
|
100
|
125
|
475
|
4-M16
|
|
65
|
46
|
110
|
130
|
500
|
4-M12
|
65
|
46
|
120
|
145
|
500
|
4-M16
|
||
|
80
|
46
|
125
|
150
|
535
|
4-M16
|
80
|
46
|
135
|
160
|
535
|
4-M16
|
||
|
100
|
52
|
145
|
170
|
605
|
4-M16
|
100
|
52
|
155
|
180
|
605
|
8-M16
|
||
|
125
|
56
|
175
|
200
|
665
|
8-M16
|
125
|
56
|
185
|
210
|
665
|
8-M16
|
||
|
150
|
56
|
200
|
225
|
765
|
8-M16
|
150
|
56
|
210
|
240
|
765
|
8-M20
|
||
|
200
|
60
|
255
|
280
|
880
|
8-M16
|
200
|
60
|
265
|
295
|
880
|
8-M20
|
||
|
250
|
68
|
310
|
335
|
1020
|
12-M16
|
250
|
68
|
320
|
350
|
1020
|
12-M20
|
||
|
300
|
78
|
362
|
395
|
1220
|
12-M20
|
300
|
78
|
368
|
400
|
1220
|
12-M20
|
||
|
350
|
78
|
412
|
445
|
1375
|
12-M20
|
350
|
78
|
428
|
460
|
1375
|
16-M20
|
||
|
400
|
102
|
462
|
495
|
1560
|
16-M20
|
400
|
102
|
482
|
515
|
1560
|
16-M22
|
||
|
450
|
114
|
518
|
550
|
1720
|
16-M20
|
450
|
114
|
532
|
565
|
1720
|
20-M22
|
||
|
500
|
127
|
568
|
600
|
1870
|
16-M20
|
500
|
127
|
585
|
620
|
1870
|
20-M22
|
||
|
600
|
154
|
670
|
705
|
2220
|
20-M22
|
600
|
154
|
685
|
725
|
2220
|
20-M27
|
||
|
700
|
165
|
775
|
810
|
2570
|
24-M22
|
700
|
165
|
800
|
840
|
2570
|
24-M27
|
||
|
800
|
190
|
880
|
920
|
3030
|
24-M27
|
800
|
190
|
898
|
950
|
3030
|
24-M30
|
||
|
900
|
203
|
980
|
1020
|
3430
|
24-M27
|
900
|
203
|
1005
|
1050
|
3430
|
28-M30
|
||
|
1000
|
216
|
1080
|
1120
|
3470
|
28-M27
|
1000
|
216
|
1115
|
1160
|
3470
|
28-M30
|
||
|
1200
|
254
|
1295
|
1340
|
4230
|
32-M30
|
1200
|
254
|
1325
|
1380
|
4230
|
32-M36
|
