
|
公称压力PN(MPa)
|
适用介质
|
阀体材料
|
适用温度
|
|
0.6
|
铸钢、铸铁、不锈钢
|
纸浆料
|
X<80
|
|
1.0
|
糖浆、泥浆、纸浆、污水
|
铸钢、铸铁
|
|
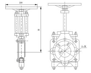
公称压力PN(MPa)
|
公称通径DN(mm) |
主要结构尺寸(mm)
|
公称压力PN(MPa)
|
公称通径DN(mm) |
主要结构尺寸(mm)
|
|||||||||||
|
L
|
D1
|
D2
|
H
|
H1
|
N-M
|
Z-Φd
|
L
|
H
|
H1
|
D1
|
D2
|
Z-Φd
|
||||
|
0.6
|
50
|
50
|
90
|
110
|
380
|
330
|
22
|
24
|
1.0
|
50
|
48
|
306
|
356
|
100
|
125
|
4-20
|
|
65
|
55
|
110
|
130
|
415
|
350
|
22
|
24
|
65
|
48
|
320
|
365
|
120
|
145
|
4-20
|
||
|
80
|
60
|
125
|
150
|
450
|
370
|
26
|
28
|
80
|
50
|
336
|
416
|
135
|
160
|
4-20
|
||
|
100
|
60
|
145
|
170
|
500
|
400
|
26
|
28
|
100
|
50
|
374
|
474
|
155
|
180
|
8-20
|
||
|
125
|
65
|
175
|
200
|
625
|
500
|
46
|
48
|
125
|
57
|
446
|
571
|
184
|
210
|
8-20
|
||
|
150
|
70
|
200
|
225
|
690
|
540
|
46
|
48
|
150
|
57
|
543
|
693
|
210
|
240
|
8-24
|
||
|
200
|
75
|
255
|
280
|
800
|
600
|
46
|
48
|
200
|
70
|
610
|
810
|
268
|
295
|
8-24
|
||
|
250
|
85
|
260
|
335
|
900
|
650
|
86
|
48
|
250
|
70
|
724
|
974
|
324
|
350
|
12-24
|
||
|
300
|
90
|
362
|
395
|
1000
|
720
|
8-20
|
4-22
|
300
|
76
|
820
|
1120
|
370
|
400
|
12-24
|
||
|
350
|
105
|
412
|
445
|
1130
|
780
|
8-20
|
4-22
|
350
|
76
|
921
|
1271
|
430
|
460
|
16-24
|
||
|
400
|
115
|
462
|
495
|
1750
|
850
|
12-20
|
4-22
|
400
|
89
|
1026
|
1426
|
485
|
515
|
16-28
|
||
