
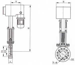
|
MPa
|
DN
|
L
|
D1
|
D2
|
H
|
A
|
B
|
N-M
|
|
0.6
|
50
|
43
|
90
|
110
|
650
|
160
|
140
|
4-M12
|
|
65
|
46
|
110
|
130
|
670
|
160
|
140
|
4-M12
|
|
|
80
|
46
|
125
|
150
|
685
|
160
|
140
|
4-M16
|
|
|
100
|
52
|
145
|
170
|
755
|
200
|
160
|
4-M16
|
|
|
125
|
56
|
175
|
200
|
790
|
200
|
160
|
8-M16
|
|
|
150
|
56
|
200
|
225
|
865
|
200
|
160
|
8-M16
|
|
|
200
|
60
|
255
|
280
|
940
|
220
|
180
|
8-M16
|
|
|
250
|
68
|
310
|
335
|
1030
|
220
|
180
|
12-M16
|
|
|
300
|
78
|
362
|
395
|
1180
|
220
|
180
|
12-M20
|
|
|
350
|
78
|
412
|
445
|
1285
|
220
|
180
|
12-M20
|
|
|
400
|
102
|
462
|
495
|
1390
|
240
|
220
|
16-M20
|
|
|
450
|
114
|
518
|
550
|
1500
|
240
|
220
|
16-M20
|
|
|
500
|
127
|
568
|
600
|
1600
|
240
|
220
|
16-M20
|
|
|
1.0
|
50
|
43
|
100
|
125
|
650
|
160
|
140
|
4-M16
|
|
65
|
46
|
120
|
145
|
670
|
160
|
140
|
4-M16
|
|
|
80
|
46
|
135
|
160
|
685
|
160
|
140
|
4-M16
|
|
|
100
|
52
|
155
|
180
|
755
|
200
|
160
|
8-M16
|
|
|
125
|
56
|
185
|
210
|
790
|
200
|
160
|
8-M16
|
|
|
150
|
56
|
210
|
240
|
865
|
200
|
160
|
8-M20
|
|
|
200
|
60
|
265
|
295
|
940
|
220
|
180
|
8-M20
|
|
|
250
|
68
|
320
|
350
|
1030
|
220
|
180
|
12-M20
|
|
|
300
|
78
|
368
|
400
|
1180
|
220
|
180
|
12-M20
|
|
|
350
|
78
|
428
|
460
|
1285
|
220
|
180
|
16-M20
|
|
|
400
|
102
|
482
|
515
|
1390
|
240
|
220
|
16-M20
|
|
|
450
|
114
|
532
|
565
|
1500
|
240
|
220
|
20-M22
|
|
|
500
|
127
|
585
|
620
|
1600
|
240
|
220
|
20-M22
|
