
产品概述
暗杆弹性座封闸阀,零用阀门整体包胶产生变形补偿作用达到良好的密封效果,克服了一般闸阀密封不良、漏水和生锈的现象,更有效的节约安装空间。 可广泛用于自来水、污水、建筑、石油、化工、食品、医药、轻纺、电力、船舶、治金、能源系统等流体管线上作为调节和截流装置使用。
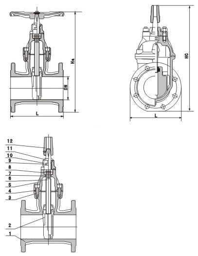
主要技术参数
公称压力:1.0~2.5MPa
工作温度:0~80℃
法兰标准:GB/T 17241.6 GB9113
公称通经:50~600mm
适用介质:水、油、气等
试验标准:GB13927 AP1598
|
名 称
|
材 料
|
|
阀 体
|
灰 铸 铁、球 墨 铸 铁、铸 钢
|
|
闸 板
|
球 墨 铸 铁 外 覆 三 元 乙 丙 或 丁 腈 橡 胶
|
|
内 六 角 螺 栓
|
碳 化 处 理
|
|
密 封 圈
|
丁 腈 橡 胶
|
|
阀 盖
|
灰 铸 铁、球 墨 铸 铁、铸 钢
|
|
阀 杆
|
不 锈 钢
|
|
“O” 形 密 封圈
|
丁 腈 橡 胶
|
|
止 推 轴 承
|
锡 青 铜
|
|
螺 栓
|
不 锈 钢
|
|
压 盖
|
球 墨 铸 铁、铸 钢
|
|
防 尘 罩
|
丁 腈 橡 胶
|
|
手 轮 (传 动 帽)
|
铸 铁
|
|
DN
|
50
|
65
|
80
|
100
|
125
|
150
|
200
|
250
|
300
|
350
|
400
|
450
|
500
|
600
|
|
L
|
178
|
190
|
203
|
229
|
254
|
267
|
292
|
330
|
356
|
381
|
406
|
432
|
457
|
508
|
|
HA
|
313
|
332
|
372
|
424
|
497
|
562
|
680
|
837
|
948
|
1010
|
1220
|
1280
|
1480
|
1665
|
|
HC
|
355
|
375
|
415
|
476
|
540
|
600
|
720
|
875
|
990
|
1050
|
1245
|
1310
|
1560
|
1750
|
