
产品特征
公称压力:1.6-6.4MPa
适用稳定范围:-20~232℃~350℃
适用介质:水、油、气及某些腐蚀性液体(W。O。G)
|
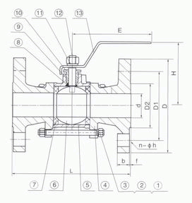
SIZE
|
1/2"
|
3/4"
|
1"
|
1/4"
|
1/2"
|
2"
|
2/2"
|
3"
|
4"
|
|
d
|
15
|
20
|
25
|
32
|
38
|
50
|
65
|
76
|
100
|
|
L
|
130
|
150
|
160
|
180
|
200
|
230
|
290
|
310
|
350
|
|
D
|
95
|
105
|
115
|
135
|
145
|
160
|
180
|
195
|
230
|
|
D1
|
65
|
75
|
85
|
100
|
110
|
125
|
145
|
160
|
190
|
|
D2
|
45
|
55
|
65
|
78
|
85
|
100
|
120
|
135
|
160
|
|
b
|
14
|
16
|
16
|
18
|
18
|
20
|
22
|
24
|
24
|
|
f
|
2
|
2
|
2
|
3
|
3
|
3
|
3
|
3
|
3
|
|
H
|
75
|
95
|
90
|
110
|
130
|
140
|
170
|
180
|
250
|
|
w
|
130
|
140
|
140
|
170
|
200
|
220
|
350
|
350
|
550
|
|
n-do
|
44
|
44
|
44
|
48
|
48
|
88
|
88
|
88
|
8-22
|
|
零件名称
|
材质
|
|
|
不锈钢
|
碳钢
|
|
|
螺栓
|
不锈钢SS304
|
碳钢
|
|
弹簧垫圈
|
不锈钢SS304
|
不锈钢SS304
|
|
螺母
|
不锈钢SS304
|
碳钢
|
|
阀盖
|
不锈钢CF8/CF8M
|
碳钢WCB
|
|
阀体
|
不锈钢CF8/CF8M
|
碳钢WCB
|
|
球体
|
不锈钢CF8
|
不锈钢CF8
|
|
密封圈
|
聚四氟乙烯PTFE
|
聚四氟乙烯PTFE
|
|
阀杆
|
不锈钢SS316
|
不锈钢SS304
|
|
填料
|
聚四氟乙烯PTFE
|
聚四氟乙烯PTFE
|
|
压紧螺母
|
不锈钢SS316
|
不锈钢SS304
|
|
弹簧垫圈
|
不锈钢SS304
|
不锈钢SS304
|
|
螺母
|
不锈钢SS304
|
不锈钢SS304
|
|
手柄
|
不锈钢SS304
|
不锈钢SS304
|
