
|
公称通径DN(mm)
|
1550
|
|||||
|
公称压力PN(MPa)
|
1.6
|
2.5
|
||||
|
公称压力
PS(MPa) |
强度试验
|
2.4
|
3.75
|
|||
|
密封试验
|
1.76
|
2.75
|
||||
|
材料材料代号
|
C
|
P
|
R
|
|||
|
主 要 零 件 |
阀 体
|
WCB
|
ZG1Cr 18Ni 9Ti
|
ZG0Cr 18Ni 12Mo2Ti
|
||
|
球 体
|
WCB
|
ZG1Cr 18Ni 9Ti
|
ZG0Cr 18Ni 12Mo2Ti
|
|||
|
阀 杆
|
2Cr13
|
1Cr 18Ni 9Ti
|
0Cr 18Ni 12Mo2Ti
|
|||
|
密封圈
|
增强聚四氟乙烯 对位聚苯
|
|||||
|
填 料
|
聚四氟乙烯 柔性石墨
|
|||||
|
适 用
工 况 |
适用介质
|
水、蒸汽、油品
|
硝酸类
|
醋酸类
|
||
|
适用温度
|
-28℃ - 250℃
|
|||||
|
执行器
|
型 号
|
DA/SR系列、GTD/GTE系列、QGSY系列等
|
||||
|
气源压力
|
0.4-0.7MPa
|
|||||
|
执行标准
|
设计制造
|
结构长度
|
法兰尺寸
|
压力温度
|
试验检验
|
|
|
GB12237
|
GB12221
|
GB9113
|
GB9131
|
GB13927
|
||
|
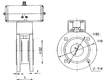
公称通径
DN(mm) |
尺 寸(mm)
|
执 行 器 型 号
|
|||||||
|
L
|
D
|
D1
|
D2
|
d
|
b
|
f
|
Z-Md
|
可选配DA/SR、QGSY、
SY-CH、GTD/GTE AW/AWS、SY-YD、 系列执行器 (以上选配仅供参考 具体选区用根据实际要求) |
|
|
15
|
35
|
95
|
65
|
45
|
15
|
14
|
2
|
4-M12
|
|
|
20
|
38
|
105
|
75
|
55
|
19
|
14
|
4-M12
|
||
|
25
|
42
|
115
|
85
|
65
|
23.5
|
14
|
4-M12
|
||
|
32
|
50
|
135
|
100
|
78
|
30
|
16
|
4-M16
|
||
|
40
|
60
|
145
|
110
|
85
|
36
|
16
|
3
|
4-M16
|
|
|
50
|
70
|
160
|
125
|
100
|
45
|
16
|
4-M16
|
||
|
65
|
95
|
180
|
145
|
120
|
58
|
18
|
4/8-M16
|
||
|
80
|
118
|
195
|
160
|
135
|
67/76
|
20
|
8-M16
|
||
|
100
|
140
|
215
|
180
|
155
|
76/92
|
20
|
8-M16
|
||
|
125
|
175
|
245
|
210
|
185
|
100
|
22
|
8-M16
|
||
|
150
|
210
|
280
|
240
|
210
|
125
|
24
|
8-M16
|
||
