
结构特点
1、流体阻力小:球体和阀体的连接管道截面相等,且球体通道采用圆弧连接,介质通过球体时,流体阻力小。
2、密封性能: 阀座采用具有一定弹性变形和高强度的PTFE材料,达到良好密封性能保证了阀门的稳定性。
3、使用寿命长: 阀门的阀芯和光颈材料采用奥氏不锈钢,阀座材料选用PTFE, 能达到良好的抗腐蚀性作用,延长了阀门使用寿命。
执行标准
1.设计和制造:GB/T12237989; APl608。
2.检验和试验:GB/T13927992; APl 598。
3.法兰连接:JB/T79]一2994; ASME/ANSI B165。
|
阀体\阀盖 |
GB |
WCB |
ZGlCrl8Ni9Ti |
ZGOCfl8Nil2M02Ti |
|||
|
ASTM |
WCB |
CF8 |
CF8M |
||||
|
球体 |
?GB |
2Cfl3 |
1Cfl8Ni9Ti |
0Cfl8Ni12M02Ti |
|||
|
ASTM |
420 |
304 |
316 |
||||
|
阀杆
|
GB |
2Crl3 |
1Crl8Ni9Ti |
0Crl8Ni12M02Ti |
|||
|
ASTM |
420 |
304 |
316 |
||||
| 阀座\密封面 |
GB |
聚四氟乙烯 |
对位聚苯 |
聚四氟乙烯 |
对位聚苯 |
聚四氟乙烯 |
对位聚苯 |
|
ASTM |
聚四氟乙烯 |
对位聚苯 |
聚四氟乙烯 |
对位聚苯 |
聚四氟乙烯 |
对位聚苯 |
|
|
填料
|
GB |
聚四氟乙烯 |
柔性石墨 |
聚四氟乙烯 |
柔性石墨 |
聚四氟乙烯 |
柔性石墨 |
|
ASTM |
聚四氟乙烯 |
柔性石墨 |
聚四氟乙烯 |
柔性石墨 |
聚四氟乙烯 |
柔性石墨 |
|
|
螺栓 |
GB |
35 |
0Crl8Ni9 |
0Crl8Ni9 |
|||
|
ASTM |
A193B7 |
A320-B8 |
A320-B8 |
||||
|
螺母 |
GB |
45 |
0Cfl8Ni9 |
0Crl8Ni9 |
|||
|
ASTM |
A1942H |
A194-8 |
A194-8 |
||||
|
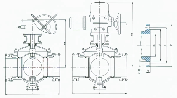
公称压力 |
公称通径 |
尺 寸(mm) |
|||||||||
|
L |
L0 |
D |
K |
d |
Y |
b |
z-do |
Hw |
Hd |
||
|
1.6MPa
|
50 |
260 |
130 |
165 |
125 |
100 |
|
16 |
4-ф18 |
205 |
265 |
|
65 |
320 |
160 |
185 |
145 |
120 |
|
18 |
4-ф18 |
245 |
295 |
|
|
80 |
320 |
160 |
200 |
160 |
135 |
|
20 |
8-ф18 |
305 |
345 |
|
|
100 |
370 |
185 |
220 |
180 |
155 |
|
20 |
8-ф18 |
340 |
420 |
|
|
125 |
510 |
255 |
250 |
210 |
185 |
|
22 |
8-ф18 |
425 |
465 |
|
|
150 |
510 |
255 |
285 |
240 |
2'0 |
|
24 |
8-ф23 |
450 |
505 |
|
|
200 |
580 |
290 |
340 |
295 |
265 |
|
26 |
12-ф23 |
480 |
525 |
|
|
250 |
670 |
335 |
405 |
355 |
320 |
|
30 |
12-ф25 |
530 |
565 |
|
|
300 |
760 |
380 |
460 |
410 |
375 |
|
30 |
12-ф25 |
585 |
630 |
|
|
350 |
850 |
425 |
520 |
470 |
435 |
|
34 |
16-ф25 |
625 |
675 |
|
|
400 |
980 |
490 |
580 |
525 |
485 |
|
36 |
16-ф30 |
670 |
710 |
|
|
450 |
1080 |
540 |
640 |
585 |
545 |
|
40 |
20-ф30 |
705 |
770 |
|
|
500 |
1220 |
610 |
715 |
650 |
608 |
|
44 |
20-ф34 |
765 |
825 |
|
|
600 |
1360 |
680 |
840 |
770 |
718 |
|
48 |
20-ф41 |
840 |
945 |
|
|
700 |
1750 |
875 |
910 |
840 |
788 |
|
50 |
24-ф41 |
1050 |
1110 |
|
|
800 |
1850 |
925 |
1025 |
950 |
898 |
|
52 |
24-ф41 |
1125 |
1220 |
|
|
900 |
2050 |
1025 |
1125 |
1050 |
998 |
|
54 |
28-ф41 |
1260 |
1315 |
|
|
1000 |
2150 |
1075 |
1255 |
1170 |
1110 |
|
56 |
28-ф48 |
1325 |
1385 |
|
|
1200 |
2450 |
1225 |
1485 |
1390 |
1325 |
|
58 |
32-ф54 |
1395 |
1450 |
|
|
2.5MPa |
50 |
260 |
130 |
165 |
125 |
100 |
|
20 |
4-ф18 |
205 |
265 |
|
65 |
320 |
160 |
185 |
145 |
120 |
|
22 |
8-ф18 |
245 |
295 |
|
|
80 |
320 |
160 |
200 |
160 |
135 |
|
22 |
8-ф18 |
305 |
345 |
|
|
100 |
370 |
185 |
230 |
190 |
160 |
|
24 |
8-ф23 |
340 |
420 |
|
|
125 |
510 |
255 |
270 |
220 |
188 |
|
28 |
8-ф25 |
405 |
465 |
|
|
150 |
510 |
255 |
300 |
250 |
218 |
|
30 |
8-ф25 |
450 |
505 |
|
|
200 |
580 |
290 |
360 |
310 |
278 |
|
34 |
12-ф25 |
480 |
525 |
|
|
250 |
670 |
335 |
425 |
370 |
332 |
|
36 |
12-ф30 |
530 |
565 |
|
|
300 |
760 |
380 |
485 |
430 |
390 |
|
40 |
16-ф30 |
585 |
630 |
|
|
350 |
850 |
425 |
555 |
490 |
448 |
|
44 |
16-ф34 |
625 |
675 |
|
|
400 |
980 |
490 |
620 |
550 |
505 |
|
48 |
16-ф34 |
670 |
710 |
|
|
450 |
1080 |
540 |
670 |
600 |
555 |
|
50 |
20-ф34 |
705 |
770 |
|
|
500 |
1220 |
610 |
730 |
660 |
610 |
|
52 |
20-ф41 |
765 |
825 |
|
|
600 |
1360 |
680 |
845 |
770 |
718 |
|
56 |
20-041 |
840 |
945 |
|
|
700 |
1750 |
875 |
960 |
875 |
815 |
|
60 |
24-ф48 |
1050 |
1110 |
|
|
800 |
1850 |
925 |
1085 |
990 |
930 |
|
64 |
24-ф48 |
1125 |
1220 |
|
|
900 |
2050 |
1025 |
1185 |
1090 |
1025 |
|
66 |
28-ф54 |
1260 |
1315 |
|
|
1000 |
2150 |
1075 |
1320 |
1210 |
1140 |
|
68 |
28-ф58 |
1325 |
1385 |
|
|
1200 |
2450 |
1225 |
1520 |
1420 |
1350 |
|
72 |
32-ф58 |
1395 |
1450 |
|
|
4.0MPa |
50 |
260 |
130 |
165 |
125 |
100 |
88 |
20 |
8-ф18 |
245 |
285 |
|
65 |
320 |
160 |
185 |
145 |
120 |
110 |
22 |
8-ф18 |
265 |
315 |
|
|
80 |
320 |
160 |
200 |
160 |
135 |
121 |
22 |
8-ф18 |
320 |
365 |
|
|
100 |
370 |
185 |
235 |
190 |
160 |
150 |
24 |
8-ф23 |
355 |
465 |
|
|
125 |
510 |
255 |
270 |
220 |
188 |
176 |
28 |
8-ф25 |
425 |
495 |
|
|
150 |
510 |
255 |
300 |
250 |
218 |
204 |
30 |
8-ф25 |
470 |
535 |
|
|
200 |
580 |
290 |
375 |
320 |
282 |
260 |
38 |
12-ф30 |
480 |
565 |
|
|
250 |
670 |
335 |
450 |
385 |
345 |
313 |
42 |
12-ф34 |
530 |
605 |
|
|
300 |
760 |
380 |
515 |
450 |
408 |
364 |
46 |
16-ф34 |
585 |
675 |
|
|
350 |
850 |
425 |
580 |
510 |
465 |
422 |
52 |
16-ф34 |
625 |
705 |
|
|
400 |
980 |
490 |
660 |
585 |
535 |
474 |
58 |
16-ф41 |
670 |
745 |
|
|
450 |
1080 |
540 |
685 |
610 |
560 |
524 |
60 |
20-ф41 |
705 |
795 |
|
|
500 |
1220 |
610 |
755 |
670 |
612 |
576 |
62 |
20-ф48 |
765 |
855 |
|
|
600 |
1360 |
680 |
890 |
795 |
730 |
678 |
62 |
20-ф54 |
840 |
985 |
|
|
|
2" |
260 |
130 |
152 |
120.5 |
92 |
|
16 |
伞φ19 |
205 |
265 |
|
2 1/2" |
320 |
160 |
178 |
139.5 |
105 |
|
18 |
4-ф19 |
245 |
295 |
|
|
3" |
320 |
160 |
190 |
152.5 |
127 |
|
19 |
4-ф19 |
305 |
345 |
|
|
4" |
370 |
185 |
229 |
190.5 |
157 |
|
24 |
8-ф19 |
340 |
420 |
|
|
5" |
510 |
255 |
254 |
216 |
186 |
|
24 |
8-ф22 |
425 |
465 |
|
|
6" |
510 |
255 |
279 |
241.5 |
216 |
|
26 |
8-ф22 |
450 |
505 |
|
|
8" |
580 |
290 |
343 |
298.5 |
270 |
|
29 |
8-ф22 |
530 |
525 |
|
|
10" |
670 |
335 |
406 |
362 |
324 |
|
31 |
12-ф25 |
630 |
565 |
|
|
12" |
760 |
380 |
483 |
432 |
381 |
|
32 |
12-ф25 |
680 |
630 |
|
|
14" |
850 |
425 |
533 |
476 |
413 |
|
35 |
12-ф29 |
625 |
675 |
|
|
16" |
980 |
490 |
597 |
540 |
470 |
|
37 |
16-ф29 |
670 |
710 |
|
|
18" |
1080 |
540 |
635 |
578 |
533 |
|
40 |
16-ф32 |
705 |
770 |
|
|
20" |
1220 |
610 |
699 |
635 |
584 |
|
43 |
20-ф32 |
765 |
825 |
|
|
24" |
1360 |
680 |
813 |
749.5 |
692 |
|
48 |
20。ф35 |
840 |
945 |
|
|
28" |
1750 |
875 |
927 |
864 |
800 |
|
71 |
28-ф35 |
1050 |
1110 |
|
|
32" |
1850 |
925 |
1060 |
978 |
914 |
|
81 |
28-ф41 |
1125 |
1220 |
|
|
36" |
2050 |
1025 |
1168 |
1086 |
1022 |
|
90 |
32-ф41 |
1260 |
1315 |
|
|
40" |
2150 |
1075 |
1289 |
1200 |
1124 |
|
90 |
36-ф41 |
1325 |
1385 |
|
|
48" |
2450 |
1225 |
1511 |
1422 |
1359 |
|
108 |
44-ф41 |
? 1395 |
? 1450 |
|
