
用途和特点
圆形百叶式蝶阀与电动电执行机构配套广泛应用于建材、治金、矿山、电力等生产过程,能自动控制或手动控制调节管路中介质流量之用。蝶瓣采用百叶多轴体结构,液体均匀 ,启闭力均匀,动作灵敏,性能可靠。
|
公称压力PN
|
0.05MPa
|
泄漏率
|
≤3%
|
|
适用温度
|
-30℃~350℃
|
介质流量
|
≤25m/s
|
|
适用介质
|
粉尘、含尘气体
|
|
|
|
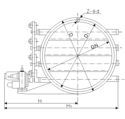
DN
|
D1
|
D
|
L
|
L1
|
H1
|
H
|
b
|
Z-Фd
|
|
500
|
555
|
600
|
220
|
300
|
900
|
1270
|
8
|
208
|
|
600
|
655
|
700
|
220
|
300
|
950
|
1370
|
10
|
208
|
|
700
|
755
|
800
|
240
|
300
|
1000
|
1470
|
10
|
208
|
|
800
|
870
|
930
|
240
|
365
|
1120
|
1670
|
10
|
24-23
|
|
900
|
970
|
1030
|
260
|
365
|
1170
|
1740
|
12
|
24-23
|
|
1000
|
1070
|
1130
|
260
|
365
|
1220
|
1840
|
12
|
28-23
|
|
1120
|
1190
|
1250
|
280
|
420
|
1430
|
2110
|
12
|
28-23
|
|
1250
|
1320
|
1380
|
280
|
420
|
1495
|
2240
|
14
|
32-23
|
|
1400
|
1470
|
1530
|
300
|
420
|
1570
|
2390
|
14
|
36-23
|
|
1600
|
1670
|
1730
|
320
|
450
|
1745
|
3660
|
14
|
40-23
|
|
1800
|
1870
|
1930
|
340
|
450
|
1845
|
2860
|
16
|
44-23
|
|
2000
|
2070
|
2130
|
360
|
450
|
1945
|
3060
|
16
|
48-23
|
|
2240
|
2310
|
2370
|
380
|
480
|
2095
|
3330
|
18
|
48-23
|
|
2500
|
2570
|
2630
|
420
|
480
|
2225
|
3590
|
18
|
52-23
|
|
2800
|
2870
|
2930
|
440
|
480
|
2375
|
3890
|
18
|
60-23
|
|
3000
|
3070
|
3130
|
460
|
480
|
2475
|
4090
|
18
|
60-23
|
