
产品特点
1、本阀采用双偏心结构,具有越关越紧的密封功能,密封性能可靠。
2、密封副材料选用不锈钢和丁腈耐油橡胶配对,使用寿命长。
3、橡胶密封圈即可位于阀体上,也可以位于蝶板上,可适用不同特点的介质,供用户选择。
4、蝶板采用框架结构,强度高,过流面积大,流阻小。
5、整体烤漆、能有效地防止锈蚀且只要更换密封阀座密封材料,就可使用于不同介质。
6、本阀具有双向密封功能,安装时不受介质流向的控制,也不受空间位置的影响,可在任何方向安装。
7、本阀结构独特,操作灵活,省力,方便。
|
公称通经DN(mm)
|
50~2000
|
50~1600
|
|
|
公称药理PN(MPa)
|
0.6
|
1.0
|
1.6
|
|
密封试验(MPa)
|
0.66
|
1.1
|
1.76
|
|
强度试验(MPa)
|
0.9
|
1.5
|
2.4
|
|
适用温度
|
丁腈橡胶:-40℃~90℃氟橡胶:-20℃~200℃
|
||
|
适用介质
|
水、空气、天然气、油品及弱腐蚀性流体
|
||
|
泄漏率
|
符合GB/T13927-92标准
|
||
|
驱动方式
|
蜗轮传动、电动、气动、液动
|
||
|
零件名称
|
材料
|
|
阀体
|
WCB、QT4500、HT200、HT250
|
|
蝶板
|
WCB、QT4500、HT200、HT250
|
|
阀轴
|
2Cr13
|
|
密封圈
|
丁腈耐油橡胶
|
|
填料
|
柔性石墨
|
|
制造标准
|
GB/T 122387-89
|
|
法兰标准
|
GB9113-2000、GB17241.6998
|
|
结构长度标准
|
GB12221-89
|
|
检验标准
|
GB/T 13927-92
|
|
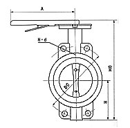
DN
|
L
|
H
|
HO
|
A
|
B
|
0.6MPa
|
1.0MPa
|
1.6MPa
|
|||
|
DO
|
n-d
|
DO
|
n-d
|
DO
|
n-d
|
||||||
|
50
|
43
|
63
|
235
|
270
|
110
|
110
|
44
|
125
|
48
|
125
|
48
|
|
65
|
46
|
70
|
250
|
270
|
110
|
130
|
44
|
145
|
48
|
145
|
48
|
|
80
|
46
|
83
|
275
|
270
|
110
|
150
|
48
|
160
|
88
|
160
|
88
|
|
100
|
52
|
105
|
316
|
270
|
110
|
170
|
48
|
180
|
88
|
180
|
88
|
|
125
|
56
|
115
|
340
|
310
|
110
|
200
|
88
|
210
|
88
|
210
|
88
|
|
150
|
56
|
137
|
376
|
310
|
110
|
225
|
88
|
240
|
8-22
|
240
|
8-22
|
|
200
|
60
|
164
|
430
|
353
|
150
|
280
|
88
|
295
|
8-22
|
295
|
8-22
|
|
250
|
68
|
206
|
499
|
353
|
150
|
335
|
128
|
350
|
12-22
|
355
|
12-26
|
|
300
|
78
|
230
|
570
|
380
|
150
|
395
|
12-22
|
400
|
12-22
|
410
|
12-26
|
