
产品特点
1、本阀采用双偏心结构,具有越关越紧的密封功能,密封性能可靠。
2、密封副材料选用不锈钢和丁腈耐油橡胶配对,使用寿命长。
3、橡胶密封圈即可位于阀体上,也可以位于蝶板上,可适用不同特点的介质,供用户选择。
4、蝶板采用框架结构,强度高,过流面积大,流阻小。
5、整体烤漆、能有效地防止锈蚀且只要更换密封阀座密封材料,就可使用于不同介质。
6、本阀具有双向密封功能,安装时不受介质流向的控制,也不受空间位置的影响,可在任何方向安装。
7、本阀结构独特,操作灵活,省力,方便。
|
公称通经DN(mm)
|
50~2000
|
50~1600
|
|
|
公称药理PN(MPa)
|
0.6
|
1.0
|
1.6
|
|
密封试验(MPa)
|
0.66
|
1.1
|
1.76
|
|
强度试验(MPa)
|
0.9
|
1.5
|
2.4
|
|
适用温度
|
丁腈橡胶:-40℃~90℃氟橡胶:-20℃~200℃
|
||
|
适用介质
|
水、空气、天然气、油品及弱腐蚀性流体
|
||
|
泄漏率
|
符合GB/T13927-92标准
|
||
|
驱动方式
|
蜗轮传动、电动、气动、液动
|
||
|
零件名称
|
材料
|
|
阀体
|
WCB、QT4500、HT200、HT250
|
|
蝶板
|
WCB、QT4500、HT200、HT250
|
|
阀轴
|
2Cr13
|
|
密封圈
|
丁腈耐油橡胶
|
|
填料
|
柔性石墨
|
|
制造标准
|
GB/T 122387-89
|
|
法兰标准
|
GB9113-2000、GB17241.6998
|
|
结构长度标准
|
GB12221-89
|
|
检验标准
|
GB/T 13927-92
|
|
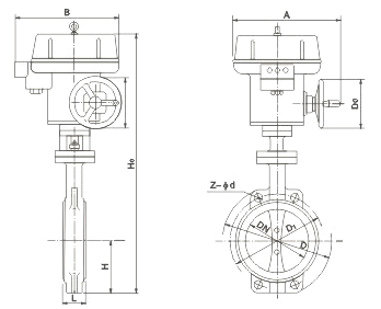
DN
|
L
|
H
|
H1
|
A
|
B
|
ФD
|
||
|
0.6MPa
|
1.0MPa
|
1.6MPa
|
||||||
|
50
|
43
|
77
|
443
|
125
|
125
|
88
|
99
|
99
|
|
65
|
46
|
85
|
463
|
125
|
125
|
108
|
118
|
118
|
|
80
|
46
|
95
|
483
|
125
|
125
|
124
|
132
|
132
|
|
100
|
52
|
105
|
498
|
125
|
125
|
144
|
156
|
156
|
|
125
|
56
|
129
|
682
|
325
|
245
|
174
|
184
|
184
|
|
150
|
56
|
132
|
736
|
325
|
245
|
199
|
211
|
211
|
|
200
|
60
|
165
|
800
|
325
|
245
|
254
|
266
|
266
|
|
250
|
68
|
197
|
895
|
363
|
313
|
309
|
319
|
319
|
|
300
|
78
|
234
|
956
|
363
|
313
|
363
|
370
|
370
|
|
350
|
78
|
283
|
1029
|
363
|
313
|
413
|
429
|
429
|
|
400
|
102
|
325
|
1103
|
363
|
313
|
463
|
480
|
480
|
|
450
|
114
|
369
|
1186
|
465
|
469
|
518
|
530
|
548
|
|
500
|
127
|
404
|
1280
|
546
|
431
|
568
|
582
|
609
|
|
600
|
154
|
470
|
1321
|
546
|
556
|
667
|
682
|
720
|
|
700
|
165
|
503
|
1431
|
546
|
556
|
772
|
794
|
794
|
|
800
|
190
|
571
|
1542
|
546
|
556
|
878
|
901
|
901
|
|
900
|
203
|
621
|
1800
|
617
|
706
|
978
|
1001
|
1001
|
|
1000
|
216
|
702
|
2363
|
632
|
706
|
1078
|
1112
|
1112
|
|
1200
|
254
|
818
|
2583
|
632
|
706
|
1295
|
1328
|
1328
|
