
产品概述
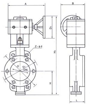
BWSC中线型对夹信号蝶阀是我厂引进国外先进技术而自行开发的中线型蝶阀,它具有结构简单,密封可靠,开启轻便、寿命长、维护方便等优点。故被广泛地应用于给排水、建筑消防等系统各种管道上,尤其在消防管路中。本信号阀可明白无误的显示出阀门开关状态,具有直观、清晰、可靠的反映出消防系统中的工作状态,所以广泛、大量的适用于消防系统中。
|
公称通经
|
公称压力
|
工作温度
|
密封试验
|
强度试验
|
适用介质
|
|
DN50~400mm
|
1.0/1.6/2.5MPa
|
0℃~-80℃
|
1.1倍公称压力
|
1.5倍公称压力
|
水、油、气
|
|
序号
|
零件名称
|
材质
|
序号
|
零件名称
|
材质
|
|
1
|
阀体
|
球铁、铸钢
|
7
|
密封圈
|
NBR。EPDM
|
|
2
|
阀轴
|
SUS410/SUS316
|
8
|
圆垫片
|
SUS316/黄铜
|
|
3
|
蝶板
|
球铁喷塑、不锈钢
|
9
|
对开环
|
SUS316/黄铜
|
|
4
|
阀座
|
EPDM,PTEE
|
10
|
挡圈
|
弹簧钢
|
|
5
|
衬套
|
青铜,聚四氟乙烯
|
|
|
|
|
DN
|
50
|
65
|
80
|
100
|
125
|
150
|
200
|
250
|
300
|
350
|
400
|
|
H
|
268
|
287
|
309
|
342
|
376
|
410
|
495
|
565
|
849
|
985
|
1109
|
|
H1
|
70
|
76
|
86
|
104
|
118
|
132
|
167
|
198
|
239
|
267
|
309
|
|
L1
|
43
|
46
|
46
|
52
|
56
|
56
|
60
|
68
|
68
|
78
|
102
|
|
L2
|
32
|
47
|
65
|
91
|
112
|
146
|
194
|
242
|
292
|
325
|
380
|
|
L3
|
245
|
245
|
245
|
245
|
245
|
245
|
400
|
400
|
400
|
400
|
431
|
|
Ф1
|
152
|
152
|
152
|
152
|
152
|
152
|
300
|
300
|
305
|
305
|
290
|
